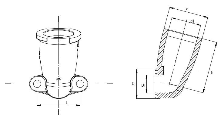
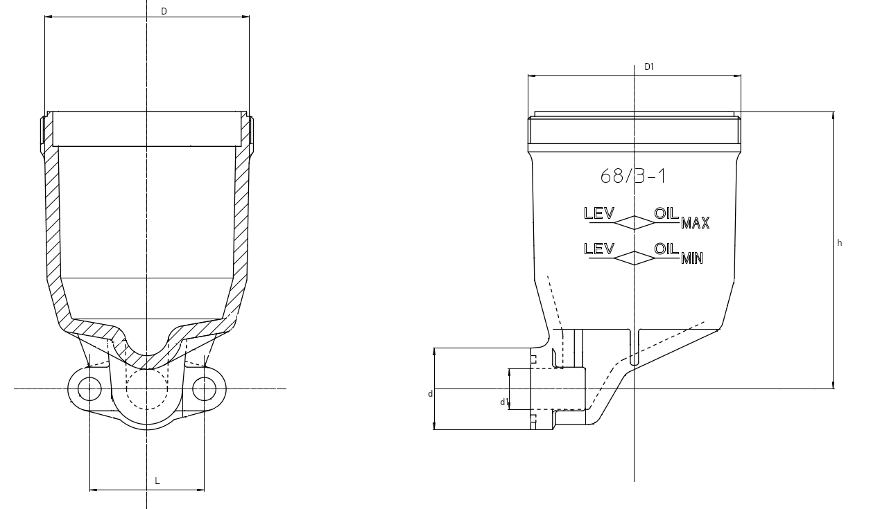
Serbatoi olio
Serbatoio olio per utilizzo lubrificazione a caduta. Prodotto in materiale termoplastico TROGAMIT. Resistenza ad agenti chimici, calore ed usura. Livello esterno, possibilità di avere livello interno elettrico.


| Codice | L | D | D1 | h | d | d1 |
| BC550030 | 36 mm | 25 mm | 15 mm | 44 mm | 33 mm | 25 mm |
____________________________________________________________________________________________________________________________________


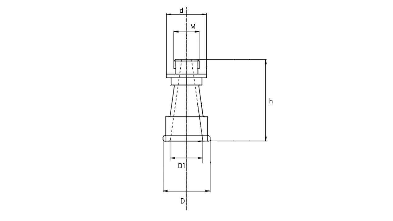
| Codice | D | D1 | h | d | M |
| BC1201100 | 26 mm | 18 mm | 45 mm | 22 mm | 14 x 1,5 |
____________________________________________________________________________________________________________________________________


| Codice | L | D | D1 | h | d |
| BC680031 | 42 mm | 75 mm | 78 mm | 101,7 mm | 30 mm |
____________________________________________________________________________________________________________________________________


| Codice | L | D | D1 | h | d |
| BC650030 | 36 mm | 34 mm | 28 mm | 130 mm | 24 mm |

